実施例

0036 プラスチック製品の粉砕品 ブリッジ・ラットホール対策

プラスチック成型工場様において
リサイクルのため、プラスチックを粉砕・破砕した原料が、タンク内で閉塞(架橋とラットホール)してお困りでした。この原料は、粒が不揃いで粉なども含まれています。
今までは、振動・衝撃を与えて解決を図ったところ余り効果が上がらなかったようですが、ブローディスクの採用により簡単に問題解決していただくことができました。

弊社では製品そのものをお貸出しして効果を確認いただいています。お気軽にご依頼下さい。

製品仕様等

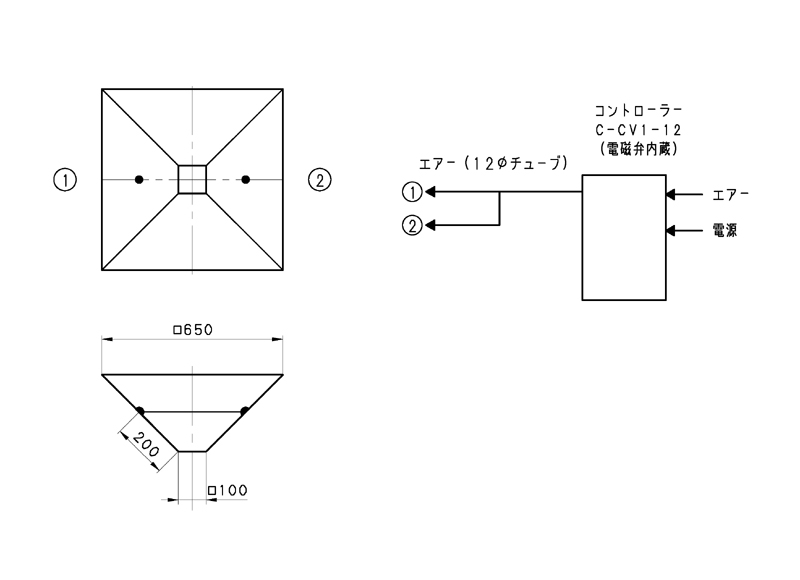
ブローディスク:BD-15S-B (標準仕様)2個
コントローラー:C-SV1-12 (標準仕様)1台

RECOMMEND おすすめ関連記事